可控计数器电路设计
一、实验目的
1.掌握D触发器的应用;
2.掌握时序逻辑电路的设计方法;
3.熟悉可控计数器的实现方法。
二、实验器材
1.2输入与门
2.2输入或非门
3.非门
4.上升沿触发D触发器
5.数字时钟信号源
6.数字常量
7.四输入七段数码管
8.Ground
三、设计要求
用D触发器设计一个可控计数器。当X=0时,计数顺序为4→5→1→3→2→6→4;X=1时,计数顺序为4→6→2→3→1→5→4。组合电路采用与门、或非门及非门实现。
四、设计流程
1.逻辑抽象,得到电路的状态转移图
根据设计要求作出状态转移图,如图1所示。

图1 可控计数器状态转移图
2.可控计数器的状态转移表
由可控计数器的状态转移图可知,计数共有6个状态,因此采用3个触发器,其状态转移表如表1所示。
表1 可控计数器状态转换表
|
X |
PS |
NS |
||||
|
Q2n |
Q1n |
Q0n |
Q2n+1 |
Q1n+1 |
Q0n+1 |
|
|
0 |
1 |
0 |
0 |
1 |
0 |
1 |
|
0 |
1 |
0 |
1 |
0 |
0 |
1 |
|
0 |
0 |
0 |
1 |
0 |
1 |
1 |
|
0 |
0 |
1 |
1 |
0 |
1 |
0 |
|
0 |
0 |
1 |
0 |
1 |
1 |
0 |
|
0 |
1 |
1 |
0 |
1 |
0 |
0 |
|
1 |
1 |
0 |
0 |
1 |
1 |
0 |
|
1 |
1 |
1 |
0 |
0 |
1 |
0 |
|
1 |
0 |
1 |
0 |
0 |
1 |
1 |
|
1 |
0 |
1 |
1 |
0 |
0 |
1 |
|
1 |
0 |
0 |
1 |
1 |
0 |
1 |
|
1 |
1 |
0 |
1 |
1 |
0 |
0 |
3.确定表达式
根据表1得到Q2n+1、Q1n+1、Q0n+1的状态卡诺图,如图2所示,并由卡诺图得出状态方程,如式(1)所示。

图2 可控计数器状态卡诺图

4.表达式化简
根据式(1)以及D触发器的特性方程Qn+1=D,化简得到该电路的状态方程和激励方程,如式(2)所示。

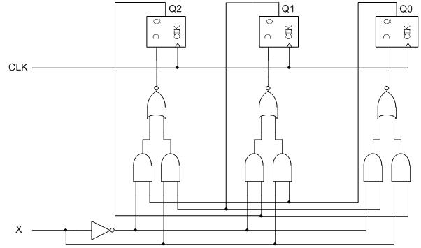
5.确定逻辑电路图
根据式(2),采用D触发器、与门、或非门以及非门方式得到可控计数器的电路原理图,如图3所示:

图3 基于D触发器的可控计数器原理图